I want to fold according to the drawing

Accepted answer

Here is my last help to encourage you to complete the piece. The rough model in the images does not yet have the dimensions refined, but it does show that the part is workable. I finished it with the same technique as at the beginning: solid deformations.


4 Other answers

Hello @Bilal ZİREK!
I'll give you additional help for the part of the piece that I think could be more complicated and that I decided to solve with "flex" deformations, as I had anticipated.
Due to time constraints I have not completed the piece, however, the missing part I think should be solved as revolutions or extrusions, plus some cuts, and then join it as a solid to the rest.
Hope this can help you.
Best regards!

Hello @Bilal ZİREK!
I couldn't see the SolidWorks file you uploaded. Therefore I don't know what your strategy was to draw the piece.
I help you with the first steps that I would take (and I apologize if you already did it that way or a better one, because I just couldn't see anything about your attempt to draw her).
This strategy would be based on starting from the flat development of the sheet metal that you have in the drawing and applying successive deformations to it.
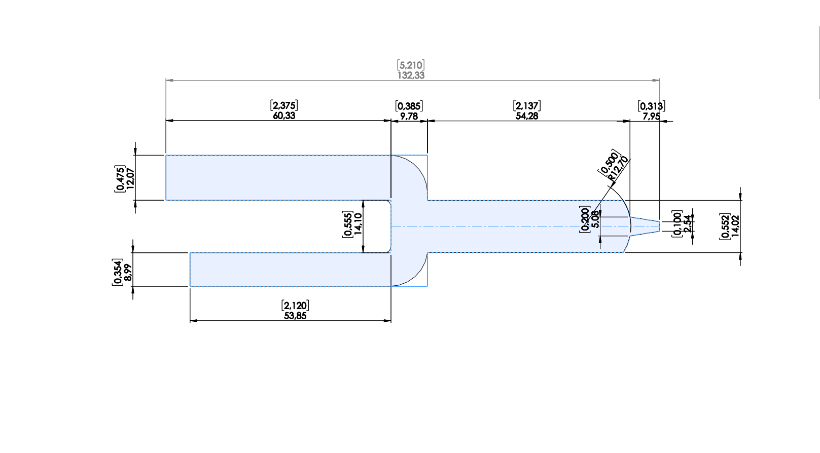
In the images you will see a very elementary figure, which only has some dimensions like yours and almost no detail (it's just to show the idea).
First of all with the "deform" command you can achieve the first embedded housing (actually it can be done in many ways, it is not the fundamental part). And then you could apply the "flex" in its "bending" option to achieve the folds you need.
Maybe in the end I would worry about the small conical sector (which can be solved in several ways).
I hope this helps you, at least as a start.
Best regards!

Yes SLDPRT file works

Hello!
I share the IGES file. The STEP file works (I tested it before uploading). You also couldn't open the *.sldprt? It is from SolidWorks 2017.

Regarding finishing the piece, it depends on whether I will have the time.

But, the intention of "the answers to questions" is to help you to do your own work.
I think I helped you with the complicated part of the part, the rest can be drawn in a more standard way (with extrusions and revolutions, as I mentioned before).

Best regards!